產品簡介
NS型臥式管道離心泵為非自吸、單級單吸臥式,軸向進水,徑向出 水,泵體底部與底座固定。釆用標準型耐磨機械密封。NS采用軸承架,可進行軸承定位,避免軸承的 軸向竄動,同時提高了轉子部件的剛性。NS整體式泵軸,采用油脂潤滑的導向深溝球軸承。NS泵與電機之間采用半彈性聯軸器相連。
性能參數
最大流量:800m3/h
最高揚程:160m
最大工作壓力:16巴
最大進口壓力:6巴
最大功率:160kW
介質溫度:-15°C~110°C
進出口徑:進口口徑:DN50~DN250
出口口徑:DN32~DN200
型號意義
產品優勢
- 采用后拉式結構,維修時無須拆除泵體及管路。
- NS泵型僅采用泵軸及懸架體部件,提高了零件的互換性。
- 葉輪進行了優化設計,進口口徑加大,無渦流, 有效地降低水泵汽蝕余量,使得水泵運行平穩低噪聲。
- 最小進口壓力
- 液體溫度較高
- 液體流速超過了額定值
- 吸程較大或進口管路長
- 系統壓力太小
- 進口條件差、工作壓力低
選型范圍
典型應用
產品適宜在清潔、稀薄、非侵蝕、非易燃易爆且 不含固體顆粒或纖維的液體中使用。
供水系統
供熱、空調系統
增壓供水、恒壓供水
消防、噴淋系統
灌溉、畜牧使用
工業冷卻、加熱循環系統
工業輸送、排放系統
| 序號 |
泵型號 |
Q [m3/h] |
H [m] |
配用電機 [kW] |
n [r/min] |
| 1 |
50-32-160/3 |
12.5 |
28 |
3 |
2900 |
| 2 |
50-32-160/4 |
36 |
4 |
| 3 |
50-32-160/5.5 |
44 |
5.5 |
| 4 |
50-32-200/7.5 |
55 |
7.5 |
| 5 |
50-32-200/11 |
74 |
11 |
2950 |
| 6 |
65-40-200/7.5 |
25 |
48 |
7.5 |
2900 |
| 7 |
65-40-200/11 |
62 |
11 |
2950 |
| 8 |
65-40-200/15 |
72 |
15 |
| 9 |
65-40-250/18.5 |
84 |
18.5 |
| 10 |
65-40-250/22 |
95 |
22 |
| 11 |
65-40-250/30 |
105 |
30 |
| 12 |
65-40-315/22 |
105 |
22 |
| 13 |
65-40-315/30 |
120 |
30 |
| 14 |
65-40-315/37 |
145 |
37 |
| 15 |
65-40-315/45 |
165 |
45 |
| 16 |
65-50-160/4 |
28 |
4 |
2900 |
| 17 |
65-50-160/5.5 |
36 |
5.5 |
| 18 |
65-50-160/7.5 |
42 |
7.5 |
| 19 |
80-50-200/11 |
50 |
44 |
11 |
2950 |
| 20 |
80-50-200/15 |
57 |
15 |
| 21 |
80-50-200/18.5 |
64 |
18.5 |
| 22 |
80-50-200/22 |
71 |
22 |
| 23 |
80-50-250/30 |
84 |
30 |
| 24 |
80-50-250/37 |
100 |
37 |
| 25 |
80-50-315/37 |
105 |
37 |
| 26 |
80-50-315/45 |
125 |
45 |
| 27 |
80-50-315/55 |
140 |
55 |
| 28 |
80-50-315/75 |
152 |
75 |
| 序號 |
泵型號 |
Q [m3/h] |
H [m] |
配用電機 [kW] |
n [r/min] |
| 29 |
80-65-160/5.5 |
50 |
22 |
5.5 |
2900 |
| 30 |
80-65-160/7.5 |
29 |
7.5 |
| 31 |
80-65-160/11 |
38 |
11 |
2950 |
| 32 |
80-65-160/15 |
44 |
15 |
| 33 |
100-65-200/18.5 |
100 |
36 |
18.5 |
2950 |
| 34 |
100-65-200/22 |
43 |
22 |
| 35 |
100-65-200/30 |
56 |
30 |
| 36 |
100-65-200/37 |
67 |
37 |
| 37 |
100-65-250/45 |
80 |
45 |
| 38 |
100-65-250/55 |
88 |
55 |
| 39 |
100-65-250/75 |
108 |
75 |
| 40 |
100-65-315/90 |
128 |
90 |
| 41 |
100-65-315/110 |
148 |
110 |
| 42 |
100-80-160/11 |
23 |
11 |
| 43 |
100-80-160/15 |
30 |
15 |
| 44 |
100-80-160/18.5 |
35 |
18.5 |
| 45 |
100-80-160/22 |
40 |
22 |
| 46 |
125-100-200/30 |
200 |
34 |
30 |
| 47 |
125-100-200/37 |
41 |
37 |
| 48 |
125-100-200/45 |
48 |
45 |
| 49 |
125-100-200/55 |
55 |
55 |
| 50 |
125-100-200/75 |
66 |
75 |
| 51 |
125-100-250/75 |
75 |
75 |
| 52 |
125-100-250/90 |
86 |
90 |
| 53 |
125-100-250/110 |
100 |
110 |
| 54 |
125-100-315/90 |
93 |
90 |
| 55 |
125-100-315/110 |
108 |
110 |
| 56 |
125-100-315/132 |
124 |
132 |
| 57 |
125-100-315/160 |
144 |
160 |
| 序號 |
泵型號 |
[m3/h] |
H [m] |
配用電機 [kW] |
n [r/min] |
| 1 |
50-32-160/0.55 |
6.3 |
8.5 |
0.55 |
1450 |
| 2 |
50-32-160/0.75 |
11 |
0.75 |
| 3 |
50-32-200/1.1 |
14 |
1.1 |
| 4 |
50-32-200/1.5 |
18 |
1.5 |
| 5 |
65-40-200/1.1 |
12.5 |
12 |
1.1 |
| 6 |
65-40-200/1.5 |
15 |
1.5 |
| 7 |
65-40-200/2.2 |
17.5 |
2.2 |
| 8 |
65-40-250/3 |
25 |
3 |
| 9 |
65-40-315/4 |
34 |
4 |
| 10 |
65-40-315/5.5 |
40 |
5.5 |
| 11 |
65-50-160/0.55 |
7 |
0.55 |
| 12 |
65-50-160/0.75 |
9 |
0.75 |
| 13 |
65-50-160/1.1 |
10.5 |
1.1 |
| 14 |
80-50-200/1.5 |
25 |
11 |
1.5 |
| 15 |
80-50-200/2.2 |
15 |
2.2 |
| 16 |
80-50-200/3 |
17.5 |
3 |
| 17 |
80-50-250/4 |
21 |
4 |
| 18 |
80-50-250/5.5 |
25 |
5.5 |
| 19 |
80-50-315/5.5 |
30 |
5.5 |
| 20 |
80-50-315/7.5 |
37 |
7.5 |
| 21 |
80-65-160/0.75 |
6 |
0.75 |
| 22 |
80-65-160/1.1 |
8 |
1.1 |
| 23 |
80-65-160/1.5 |
10.5 |
1.5 |
| 24 |
100-65-200/3 |
50 |
11.5 |
3 |
| 25 |
100-65-200/4 |
14 |
4 |
| 26 |
100-65-200/5.5 |
16 |
5.5 |
| 27 |
100-65-250/5.5 |
20 |
5.5 |
| 28 |
100-65-250/7.5 |
25 |
7.5 |
| 29 |
100-65-315/11 |
32 |
11 |
1480 |
| 30 |
100-65-315/15 |
40 |
15 |
| 31 |
100-80-160/1.5 |
6.5 |
1.5 |
1450 |
| 32 |
100-80-160/2.2 |
9 |
2.2 |
| 33 |
100-80-160/3 |
10.5 |
3 |
| 序號 |
泵型號 |
Q [m3/h] |
H [m] |
配用電機 [kW] |
n [r/min] |
| 34 |
125-80-400/15 |
50 |
39 |
15 |
1480 |
| 35 |
125-80-400/18.5 |
45 |
18.5 |
| 36 |
125-80-400/22 |
50 |
22 |
| 37 |
125-80-400/30 |
60 |
30 |
| 38 |
125-80-400/37 |
67 |
37 |
| 39 |
125-100-200/4 |
100 |
9 |
4 |
1450 |
| 40 |
125-100-200/5.5 |
11.5 |
5.5 |
| 41 |
125-100-200/7.5 |
14 |
7.5 |
| 42 |
125-100-200/11 |
16.5 |
11 |
1480 |
| 43 |
125-100-250/15 |
25 |
15 |
| 44 |
125-100-315/11 |
23 |
11 |
| 45 |
125-100-315/18.5 |
32 |
18.5 |
| 46 |
125-100-315/22 |
36 |
22 |
| 47 |
125-100-315/30 |
40 |
30 |
| 48 |
125-100-400/30 |
50 |
30 |
| 49 |
125-100-400/37 |
58 |
37 |
| 50 |
125-100-400/45 |
65 |
45 |
| 51 |
150-125-250/11 |
200 |
12.5 |
11 |
| 52 |
150-125-250/15 |
16 |
15 |
| 53 |
150-125-250/18.5 |
20 |
18.5 |
| 54 |
150-125-250/22 |
24 |
22 |
| 55 |
150-125-315/30 |
32 |
30 |
| 56 |
150-125-315/37 |
39 |
37 |
| 57 |
150-125-400/45 |
50 |
45 |
| 58 |
150-125-400/55 |
57 |
55 |
| 59 |
150-125-400/75 |
68 |
75 |
| 60 |
200-150-315/37 |
400 |
23 |
37 |
| 61 |
200-150-315/45 |
27 |
45 |
| 62 |
200-150-315/55 |
32 |
55 |
| 63 |
200-150-315/75 |
38 |
75 |
| 64 |
200-150-400/75 |
43 |
75 |
| 65 |
200-150-400/90 |
50 |
90 |
| 66 |
200-150-400/110 |
62 |
110 |
| 67 |
250-200-315/37 |
500 |
20 |
37 |
| 68 |
250-200-315/45 |
23 |
45 |
| 69 |
250-200-315/55 |
630 |
24 |
55 |
| 70 |
250-200-315/75 |
32 |
75 |
| 71 |
250-200-400/90 |
37 |
90 |
| 72 |
250-200-400/110 |
44 |
110 |
| 73 |
250-200-400/132 |
53 |
132 |
| 74 |
250-200-400/160 |
60 |
160 |
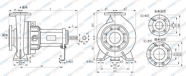
結構圖紙
| 序號 |
零件名稱 |
材料 |
對照代號/AISI/ASTM |
| 1 |
泵體 |
鑄鐵HT200 |
ASTM25B |
| 2 |
耐磨環 |
鑄鐵HT200 |
ASTM25B |
| 3 |
葉輪 |
鑄鐵HT200/ZG07Crl9Ni9 |
ASTM25B/AISI304 |
| 4 |
泵蓋 |
鑄鐵HT200 |
ASTM25B |
| 5 |
機械密封 |
石墨一碳化硅 |
|
| 6 |
O形橡膠圈 |
丁腈橡膠NBR |
|
| 7 |
泵軸 |
不銹鋼20Crl3 |
AISI420 |
| 8 |
懸架體 |
鑄鐵HT200 |
ASTM25B |
| 9 |
軸承壓蓋 |
鑄鐵HT200 |
ASTM25B |
| 10 |
油封 |
丁腈橡膠NBR |
|
安裝尺寸本數據僅供參考,請以實際訂貨為準!

NS泵外形尺寸表
| 序 號 |
泵型號 |
泵外形尺寸 |
泵底板及安裝尺寸 |
| a |
f |
h1 |
h2 |
b |
p1 |
p2 |
ml |
m2 |
nl |
n2 |
n3 |
n4 |
tl |
t2 |
w |
s1 |
s2 |
| 1 |
50-32-160 |
80 |
385 |
132 |
160 |
50 |
118 |
128 |
100 |
70 |
240 |
190 |
110 |
160 |
12 |
6 |
285 |
14 |
14 |
| 2 |
50-32-200 |
80 |
385 |
160 |
180 |
50 |
139 |
147 |
100 |
70 |
240 |
190 |
110 |
160 |
12 |
6 |
285 |
14 |
14 |
| 3 |
65-50-160 |
80 |
385 |
132 |
160 |
50 |
121 |
136 |
100 |
70 |
240 |
190 |
110 |
160 |
12 |
6 |
285 |
14 |
14 |
| 4 |
65-40-200 |
100 |
385 |
160 |
180 |
50 |
140 |
151 |
100 |
70 |
265 |
212 |
110 |
160 |
13 |
6 |
285 |
14 |
14 |
| 5 |
65-40-250 |
100 |
500 |
180 |
225 |
65 |
166 |
176 |
125 |
95 |
320 |
250 |
110 |
160 |
14 |
6 |
370 |
14 |
14 |
| 6 |
65-40-315 |
125 |
500 |
200 |
250 |
65 |
194 |
200 |
125 |
95 |
345 |
280 |
110 |
160 |
16 |
6 |
370 |
14 |
14 |
| 7 |
80-65-160 |
100 |
385 |
160 |
180 |
50 |
124 |
143 |
100 |
70 |
265 |
212 |
110 |
160 |
13 |
6 |
285 |
14 |
14 |
| 8 |
80-50-200 |
100 |
385 |
160 |
200 |
52 |
147 |
161 |
100 |
70 |
265 |
212 |
110 |
160 |
13 |
6 |
285 |
14 |
14 |
| 9 |
80-50-250 |
125 |
500 |
180 |
225 |
65 |
167 |
179 |
125 |
95 |
320 |
250 |
110 |
160 |
15 |
6 |
370 |
14 |
14 |
| 10 |
80-50-315 |
125 |
500 |
225 |
280 |
65 |
204 |
215 |
125 |
95 |
345 |
280 |
110 |
160 |
18 |
6 |
370 |
14 |
14 |
| 11 |
100-65-200 |
100 |
500 |
180 |
225 |
65 |
159 |
183 |
125 |
95 |
320 |
250 |
110 |
160 |
14 |
6 |
370 |
14 |
14 |
| 12 |
100-65-250 |
125 |
500 |
200 |
250 |
80 |
180 |
201 |
160 |
120 |
360 |
280 |
110 |
160 |
16 |
6 |
370 |
18 |
14 |
| 13 |
100-65-315 |
125 |
530 |
225 |
280 |
80 |
210 |
228 |
160 |
120 |
400 |
315 |
110 |
160 |
18 |
6 |
370 |
18 |
14 |
| 14 |
100-80-160 |
100 |
500 |
160 |
200 |
65 |
132 |
160 |
125 |
95 |
280 |
212 |
110 |
160 |
14 |
6 |
370 |
14 |
14 |
| 15 |
125-80-400 |
125 |
530 |
280 |
355 |
80 |
261 |
279 |
160 |
120 |
435 |
355 |
110 |
160 |
20 |
6 |
370 |
18 |
14 |
| 16 |
125-100-200 |
125 |
500 |
200 |
280 |
80 |
175 |
210 |
160 |
120 |
360 |
280 |
110 |
160 |
17 |
6 |
370 |
18 |
14 |
| 17 |
125-100-250 |
140 |
530 |
225 |
280 |
80 |
193 |
225 |
160 |
120 |
400 |
315 |
110 |
160 |
18 |
6 |
370 |
18 |
14 |
| 18 |
125-100-315 |
140 |
530 |
250 |
315 |
80 |
224 |
250 |
160 |
120 |
400 |
315 |
110 |
160 |
19 |
6 |
370 |
18 |
14 |
| 19 |
125-100-400 |
140 |
530 |
280 |
355 |
100 |
265 |
287 |
200 |
150 |
500 |
400 |
110 |
160 |
20 |
6 |
370 |
18 |
14 |
| 20 |
150-125-250 |
140 |
530 |
250 |
355 |
80 |
204 |
244 |
160 |
120 |
400 |
315 |
110 |
160 |
19 |
6 |
370 |
18 |
14 |
| 21 |
150-125-315 |
140 |
530 |
280 |
355 |
100 |
236 |
271 |
200 |
150 |
500 |
400 |
110 |
160 |
20 |
6 |
370 |
22 |
14 |
| 22 |
150-125-400 |
140 |
530 |
315 |
400 |
100 |
273 |
301 |
200 |
150 |
500 |
400 |
110 |
160 |
21 |
6 |
370 |
22 |
14 |
| 23 |
200-150-315 |
160 |
670 |
315 |
400 |
82 |
255 |
304 |
200 |
150 |
515 |
450 |
140 |
180 |
25 |
10 |
500 |
22 |
18 |
| 24 |
200-150-400 |
160 |
670 |
315 |
450 |
82 |
291 |
330 |
200 |
150 |
515 |
450 |
140 |
180 |
25 |
10 |
500 |
22 |
18 |
| 25 |
250-200-315 |
180 |
670 |
315 |
450 |
82 |
278 |
344 |
200 |
150 |
515 |
450 |
140 |
180 |
25 |
10 |
500 |
22 |
18 |
| 26 |
250-200-400 |
180 |
670 |
380 |
450 |
82 |
314 |
367 |
200 |
150 |
515 |
450 |
140 |
180 |
25 |
10 |
500 |
22 |
18 |
續表
| 序 號 |
泵型號 |
進水法蘭尺寸 |
出水法蘭尺寸 |
軸伸端尺寸 |
重量 (kg) |
| D1 |
D2 |
D3 |
kl |
dl |
D4 |
D5 |
D6 |
k2 |
d2 |
D |
L |
E |
G |
| 1 |
50-32-160 |
50 |
125 |
165 |
4 |
18 |
32 |
100 |
140 |
4 |
18 |
24 |
50 |
8 |
20 |
40 |
| 2 |
50-32-200 |
50 |
125 |
165 |
4 |
18 |
32 |
100 |
140 |
4 |
18 |
24 |
50 |
8 |
20 |
48 |
| 3 |
65-50-160 |
65 |
145 |
185 |
4 |
18 |
50 |
125 |
165 |
4 |
18 |
24 |
50 |
8 |
20 |
42 |
| 4 |
65-40-200 |
65 |
145 |
185 |
4 |
18 |
40 |
110 |
150 |
4 |
18 |
24 |
50 |
8 |
20 |
50 |
| 5 |
65-40-250 |
65 |
145 |
185 |
4 |
18 |
40 |
110 |
150 |
4 |
18 |
32 |
80 |
10 |
27 |
72 |
| 6 |
65-40-315 |
65 |
145 |
185 |
4 |
18 |
40 |
110 |
150 |
4 |
18 |
32 |
80 |
10 |
27 |
82 |
| 7 |
80-65-160 |
80 |
160 |
200 |
8 |
18 |
65 |
145 |
185 |
4 |
18 |
24 |
50 |
8 |
20 |
48 |
| 8 |
80-50-200 |
80 |
160 |
200 |
8 |
18 |
50 |
125 |
165 |
4 |
18 |
24 |
50 |
8 |
20 |
54 |
| 9 |
80-50-250 |
80 |
160 |
200 |
8 |
18 |
50 |
125 |
165 |
4 |
18 |
32 |
80 |
10 |
27 |
75 |
| 10 |
80-50-315 |
80 |
160 |
200 |
8 |
18 |
50 |
125 |
165 |
4 |
18 |
32 |
80 |
10 |
27 |
90 |
| 11 |
100-65-200 |
100 |
180 |
220 |
8 |
18 |
65 |
145 |
185 |
4 |
18 |
32 |
80 |
10 |
27 |
73 |
| 12 |
100-65-250 |
100 |
180 |
220 |
8 |
18 |
65 |
145 |
185 |
4 |
18 |
32 |
80 |
10 |
27 |
82 |
| 13 |
100-65-315 |
100 |
180 |
220 |
8 |
18 |
65 |
145 |
185 |
4 |
18 |
42 |
110 |
12 |
37 |
120 |
| 14 |
100-80-160 |
100 |
180 |
220 |
8 |
18 |
80 |
160 |
200 |
8 |
18 |
32 |
80 |
10 |
27 |
70 |
| 15 |
125-80-400 |
125 |
210 |
250 |
8 |
18 |
80 |
160 |
200 |
8 |
18 |
42 |
110 |
12 |
37 |
168 |
| 16 |
125-100-200 |
125 |
210 |
250 |
8 |
18 |
100 |
180 |
220 |
8 |
18 |
32 |
80 |
10 |
27 |
88 |
| 17 |
125-100-250 |
125 |
210 |
250 |
8 |
18 |
100 |
180 |
220 |
8 |
18 |
42 |
110 |
12 |
37 |
130 |
| 18 |
125-100-315 |
125 |
210 |
250 |
8 |
18 |
100 |
180 |
220 |
8 |
18 |
42 |
110 |
12 |
37 |
138 |
| 19 |
125-100-400 |
125 |
210 |
250 |
8 |
18 |
100 |
180 |
220 |
8 |
18 |
42 |
110 |
12 |
37 |
178 |
| 20 |
150-125-250 |
150 |
240 |
285 |
8 |
22 |
125 |
210 |
250 |
8 |
18 |
42 |
106 |
12 |
37 |
134 |
| 21 |
150-125-315 |
150 |
240 |
285 |
8 |
22 |
125 |
210 |
250 |
8 |
18 |
42 |
106 |
12 |
37 |
167 |
| 22 |
150-125-400 |
150 |
240 |
285 |
8 |
22 |
125 |
210 |
250 |
8 |
18 |
42 |
106 |
12 |
37 |
186 |
| 23 |
200-150-315 |
200 |
295 |
340 |
12 |
22 |
150 |
240 |
285 |
8 |
22 |
60 |
110 |
18 |
53 |
228 |
| 24 |
200-150-400 |
200 |
295 |
340 |
12 |
22 |
150 |
240 |
285 |
8 |
22 |
60 |
110 |
18 |
53 |
285 |
| 25 |
250-200-315 |
250 |
355 |
405 |
12 |
26 |
200 |
295 |
340 |
12 |
22 |
60 |
110 |
18 |
53 |
264 |
| 26 |
250-200-400 |
250 |
355 |
405 |
12 |
26 |
200 |
295 |
340 |
12 |
22 |
60 |
110 |
18 |
53 |
335 |

NS泵組外形尺寸表 2極
| 型號 |
功率 (kW) |
H1 |
H2 |
HC1 |
HC2 |
BW |
BL |
BP |
BH |
OH |
UL |
FC |
DN1 |
DN2 |
總重量 (kg) |
| 50-32-160 |
3 |
392 |
232 |
296 |
500 |
336 |
750 |
125 |
14 |
72.5 |
857 |
80 |
50 |
32 |
94 |
| 4 |
392 |
232 |
296 |
500 |
336 |
750 |
125 |
14 |
72.5 |
875 |
80 |
50 |
32 |
100 |
| 5.5 |
392 |
232 |
325 |
500 |
365 |
800 |
150 |
14 |
97.5 |
941 |
80 |
50 |
32 |
124 |
| 50-32-200 |
7.5 |
440 |
243 |
340 |
600 |
380 |
860 |
130 |
14 |
77.5 |
941 |
80 |
50 |
32 |
139 |
| 11 |
440 |
260 |
380 |
600 |
420 |
950 |
175 |
18 |
121 |
1077 |
80 |
50 |
32 |
195 |
| 65-40-200 |
7.5 |
440 |
260 |
325 |
500 |
365 |
800 |
150 |
14 |
97.5 |
961 |
100 |
65 |
40 |
140 |
| 11 |
440 |
260 |
380 |
600 |
420 |
950 |
175 |
18 |
121 |
1097 |
100 |
65 |
40 |
197 |
| 15 |
440 |
260 |
380 |
600 |
420 |
950 |
175 |
18 |
121 |
1097 |
100 |
65 |
40 |
207 |
| 65-40-250 |
18.5 |
505 |
280 |
380 |
800 |
420 |
1080 |
140 |
18 |
73.5 |
1282 |
100 |
65 |
40 |
253 |
| 22 |
505 |
280 |
420 |
800 |
480 |
1100 |
150 |
18 |
81.5 |
1319 |
100 |
65 |
40 |
289 |
| 30 |
525 |
300 |
460 |
800 |
500 |
1180 |
190 |
18 |
121.5 |
1379 |
100 |
65 |
40 |
349 |
| 65-40-315 |
22 |
550 |
300 |
420 |
800 |
460 |
1100 |
150 |
18 |
81.5 |
1344 |
125 |
65 |
40 |
301 |
| 30 |
570 |
320 |
455 |
800 |
495 |
1200 |
200 |
18 |
131.5 |
1412 |
125 |
65 |
40 |
372 |
| 37 |
570 |
320 |
455 |
800 |
495 |
1200 |
200 |
18 |
131.5 |
1412 |
125 |
65 |
40 |
391 |
| 45 |
590 |
340 |
510 |
800 |
560 |
1250 |
225 |
22 |
155 |
1466 |
125 |
65 |
40 |
459 |
| 65-50-160 |
4 |
392 |
232 |
296 |
500 |
336 |
750 |
125 |
14 |
72.5 |
875 |
80 |
65 |
50 |
102 |
| 5.5 |
392 |
232 |
325 |
500 |
365 |
800 |
150 |
14 |
97.5 |
941 |
80 |
65 |
50 |
126 |
| 7.5 |
392 |
232 |
325 |
500 |
365 |
800 |
150 |
14 |
97.5 |
941 |
80 |
65 |
50 |
129 |
續表 2極
| 型號 |
功率 (kw) |
H1 |
H2 |
HC1 |
HC2 |
BW |
BL |
BP |
BH |
OH |
UL |
FC |
DN1 |
DN2 |
總重量 (kg) |
| 80-50-200 |
11 |
460 |
260 |
380 |
600 |
420 |
950 |
175 |
18 |
121 |
1097 |
100 |
80 |
50 |
201 |
| 15 |
460 |
260 |
380 |
600 |
420 |
950 |
175 |
18 |
121 |
1097 |
100 |
80 |
50 |
211 |
| 18.5 |
460 |
260 |
380 |
600 |
420 |
950 |
175 |
18 |
121 |
1137 |
100 |
80 |
50 |
230 |
| 22 |
480 |
280 |
420 |
700 |
460 |
1000 |
150 |
18 |
96 |
1194 |
100 |
80 |
50 |
273 |
| 80-50-250 |
30 |
525 |
300 |
460 |
800 |
500 |
1180 |
190 |
18 |
121.5 |
1404 |
125 |
80 |
50 |
351 |
| 37 |
525 |
300 |
460 |
800 |
495 |
1180 |
190 |
18 |
121.5 |
1404 |
125 |
80 |
50 |
370 |
| 80-50-315 |
37 |
625 |
345 |
455 |
800 |
495 |
1200 |
200 |
18 |
131.5 |
1402 |
125 |
80 |
50 |
402 |
| 45 |
625 |
345 |
510 |
800 |
560 |
1250 |
225 |
22 |
155 |
1466 |
125 |
80 |
50 |
466 |
| 55 |
650 |
370 |
575 |
900 |
625 |
1300 |
200 |
22 |
no |
1547 |
125 |
80 |
50 |
566 |
| 75 |
680 |
400 |
620 |
800 |
670 |
1400 |
300 |
22 |
230 |
1620 |
125 |
80 |
50 |
706 |
| 80-65-160 |
5.5 |
440 |
260 |
325 |
500 |
365 |
800 |
150 |
14 |
97.5 |
961 |
100 |
80 |
65 |
135 |
| 7.5 |
440 |
260 |
325 |
500 |
|
800 |
15() |
14 |
97.5 |
961 |
100 |
80 |
65 |
138 |
| 11 |
440 |
260 |
380 |
600 |
420 |
950 |
175 |
18 |
121 |
1097 |
100 |
80 |
65 |
195 |
| 15 |
440 |
260 |
380 |
600 |
420 |
950 |
175 |
18 |
121 |
1097 |
100 |
80 |
65 |
205 |
| 100-65-200 |
18.5 |
505 |
280 |
380 |
800 |
420 |
1080 |
140 |
18 |
73.5 |
1282 |
100 |
100 |
65 |
253 |
| 22 |
505 |
280 |
420 |
800 |
460 |
1100 |
150 |
18 |
81.5 |
1319 |
100 |
100 |
65 |
289 |
| 30 |
525 |
300 |
460 |
800 |
500 |
1180 |
190 |
18 |
121.5 |
1379 |
100 |
100 |
65 |
349 |
| 37 |
525 |
300 |
460 |
800 |
500 |
1180 |
190 |
18 |
121.5 |
1379 |
100 |
100 |
65 |
368 |
| 100-65-250 |
45 |
590 |
340 |
510 |
800 |
550 |
1250 |
225 |
22 |
141.5 |
1466 |
125 |
100 |
65 |
458 |
| 55 |
620 |
370 |
575 |
900 |
625 |
1350 |
225 |
22 |
141.5 |
1547 |
125 |
100 |
65 |
561 |
| 75 |
650 |
400 |
620 |
800 |
670 |
1400 |
300 |
22 |
214 |
1620 |
125 |
100 |
65 |
704 |
| 100-65-315 |
90 |
680 |
400 |
620 |
900 |
670 |
1450 |
275 |
22 |
189 |
1700 |
125 |
100 |
65 |
781 |
| 110 |
720 |
440 |
710 |
1000 |
760 |
1500 |
250 |
22 |
164 |
1909 |
125 |
100 |
65 |
1212 |
| 100-80-160 |
11 |
460 |
260 |
380 |
800 |
420 |
1080 |
140 |
18 |
73.5 |
1212 |
100 |
100 |
80 |
209 |
| 15 |
460 |
260 |
380 |
800 |
420 |
1080 |
140 |
18 |
73.5 |
1212 |
100 |
100 |
80 |
219 |
| 18.5 |
460 |
260 |
380 |
800 |
420 |
1080 |
140 |
18 |
73.5 |
1282 |
100 |
100 |
80 |
239 |
| 22 |
480 |
280 |
420 |
800 |
460 |
1100 |
150 |
18 |
83.5 |
1319 |
100 |
100 |
80 |
280 |
| 125-100-200 |
30 |
600 |
320 |
455 |
800 |
495 |
1200 |
200 |
18 |
119 |
1412 |
125 |
125 |
100 |
380 |
| 37 |
600 |
320 |
455 |
800 |
495 |
1200 |
200 |
18 |
119 |
1412 |
125 |
125 |
100 |
399 |
| 45 |
620 |
340 |
510 |
800 |
560 |
1250 |
225 |
22 |
141.5 |
1466 |
125 |
125 |
100 |
463 |
| 55 |
650 |
370 |
575 |
900 |
625 |
1350 |
225 |
22 |
141.5 |
1547 |
125 |
125 |
100 |
566 |
| 75 |
680 |
400 |
620 |
800 |
670 |
1400 |
300 |
22 |
214 |
1620 |
125 |
125 |
100 |
709 |
續表 2極
| 型號 |
功率 (kW) |
H1 |
H2 |
HC1 |
HC2 |
BW |
BL |
BP |
BH |
OH |
UL |
FC |
DN1 |
DN2 |
總重量 (kg) |
| 125-100-250 |
75 |
680 |
400 |
620 |
800 |
670 |
1400 |
300 |
22 |
214 |
1665 |
140 |
125 |
100 |
752 |
| 90 |
680 |
400 |
620 |
900 |
670 |
1450 |
275 |
22 |
189 |
1715 |
140 |
125 |
100 |
789 |
| 110 |
720 |
440 |
710 |
1000 |
760 |
1500 |
250 |
22 |
164 |
1924 |
140 |
125 |
100 |
1220 |
| 125-100-315 |
90 |
715 |
400 |
620 |
900 |
670 |
1450 |
275 |
22 |
189 |
1715 |
140 |
125 |
100 |
795 |
| 110 |
755 |
440 |
710 |
1000 |
760 |
1500 |
250 |
22 |
164 |
1909 |
140 |
125 |
100 |
1221 |
| 132 |
755 |
440 |
710 |
1000 |
760 |
1560 |
280 |
22 |
194 |
2034 |
140 |
125 |
100 |
1281 |
| 160 |
755 |
440 |
710 |
1000 |
760 |
1560 |
280 |
22 |
194 |
2034 |
140 |
125 |
100 |
1401 |
NS泵組外形尺寸表
| 型號 |
功率 (kW) |
H1 |
H2 |
HC1 |
HC2 |
BW |
BL |
BP |
RH |
OH |
UL |
FC |
DN1 |
DN2 |
總重量 (kg) |
| 50-32-160 |
0.55 |
392 |
232 |
296 |
500 |
336 |
700 |
100 |
14 |
47.5 |
755 |
80 |
50 |
32 |
63 |
| 0.75 |
392 |
232 |
296 |
500 |
336 |
700 |
100 |
14 |
47.5 |
755 |
80 |
50 |
32 |
64 |
| 50-32-200 |
1.1 |
440 |
260 |
296 |
500 |
336 |
750 |
125 |
14 |
72.5 |
794 |
80 |
50 |
32 |
90 |
| 1.5 |
440 |
260 |
296 |
500 |
336 |
750 |
125 |
14 |
72.5 |
819 |
80 |
50 |
32 |
97 |
| 65-40-200 |
1.1 |
440 |
260 |
325 |
500 |
365 |
750 |
125 |
14 |
72.5 |
824 |
100 |
65 |
40 |
92 |
| 1.5 |
440 |
260 |
325 |
500 |
365 |
750 |
125 |
14 |
72.5 |
849 |
100 |
65 |
40 |
99 |
| 2.2 |
440 |
260 |
325 |
500 |
365 |
750 |
125 |
14 |
72.5 |
887 |
100 |
65 |
40 |
110 |
| 65-40-250 |
3 |
505 |
280 |
376 |
600 |
416 |
920 |
160 |
14 |
95 |
992 |
100 |
65 |
40 |
140 |
| 65-40-315 |
4 |
550 |
300 |
405 |
600 |
445 |
900 |
150 |
14 |
85 |
1045 |
125 |
65 |
40 |
160 |
| 5.5 |
550 |
300 |
405 |
600 |
445 |
950 |
175 |
14 |
110 |
1101 |
125 |
65 |
40 |
182 |
| 65-50-160 |
0.55 |
392 |
232 |
296 |
500 |
336 |
700 |
100 |
14 |
47.5 |
755 |
80 |
65 |
50 |
65 |
| 0.75 |
392 |
232 |
296 |
500 |
336 |
700 |
100 |
14 |
47.5 |
755 |
80 |
65 |
50 |
66 |
| 1.1 |
392 |
232 |
296 |
500 |
336 |
700 |
100 |
14 |
47.5 |
794 |
80 |
65 |
50 |
82 |
| 80-50-200 |
1.5 |
460 |
260 |
325 |
500 |
365 |
750 |
125 |
14 |
72.5 |
849 |
100 |
80 |
50 |
103 |
| 2.2 |
460 |
260 |
325 |
500 |
365 |
750 |
125 |
14 |
72.5 |
877 |
100 |
80 |
50 |
114 |
| 3 |
460 |
260 |
325 |
500 |
365 |
750 |
125 |
14 |
72.5 |
877 |
100 |
80 |
50 |
119 |
| 80-50-250 |
4 |
505 |
280 |
376 |
600 |
416 |
920 |
160 |
14 |
95 |
1042 |
125 |
80 |
50 |
148 |
| 5.5 |
505 |
280 |
376 |
600 |
416 |
920 |
160 |
14 |
95 |
1107 |
125 |
80 |
50 |
169 |
| 80-50-315 |
5.5 |
605 |
325 |
405 |
600 |
445 |
950 |
175 |
18 |
108.5 |
1101 |
125 |
80 |
50 |
186 |
| 7.5 |
605 |
325 |
405 |
600 |
445 |
950 |
175 |
18 |
108.5 |
1141 |
125 |
80 |
50 |
200 |
| 80-65-160 |
0.75 |
440 |
260 |
325 |
500 |
365 |
700 |
100 |
14 |
47.5 |
775 |
100 |
80 |
65 |
87 |
| 1.1 |
440 |
260 |
325 |
500 |
365 |
750 |
125 |
14 |
72.5 |
824 |
100 |
80 |
65 |
90 |
| 1.5 |
440 |
260 |
325 |
500 |
365 |
750 |
125 |
14 |
72.5 |
849 |
100 |
80 |
65 |
97 |
| 型號 |
功率 (kW) |
H1 |
H2 |
HC1 |
HC2 |
BW |
BL |
BP |
BH |
OH |
UL |
FC |
DN1 |
DN2 |
總重量 (kg) |
| 100-65-200 |
3 |
505 |
280 |
376 |
600 |
416 |
920 |
160 |
14 |
95 |
992 |
100 |
100 |
65 |
140 |
| 4 |
505 |
280 |
376 |
600 |
416 |
920 |
160 |
14 |
95 |
1017 |
100 |
100 |
65 |
146 |
| 5.5 |
505 |
280 |
376 |
600 |
416 |
920 |
160 |
14 |
95 |
1082 |
100 |
100 |
65 |
167 |
| 100-65-250 |
5.5 |
550 |
300 |
420 |
600 |
460 |
980 |
190 |
14 |
110 |
1111 |
125 |
100 |
65 |
179 |
| 7.5 |
550 |
300 |
420 |
600 |
460 |
980 |
190 |
18 |
110 |
1151 |
125 |
100 |
65 |
198 |
| 100-65-315 |
11 |
605 |
325 |
460 |
800 |
500 |
1120 |
160 |
18 |
80 |
1267 |
125 |
100 |
65 |
299 |
| J5 |
605 |
325 |
460 |
800 |
500 |
1120 |
160 |
J8 |
80 |
1307 |
125 |
100 |
65 |
321 |
| 100-80-160 |
1.5 |
460 |
260 |
340 |
600 |
380 |
860 |
130 |
14 |
65 |
954 |
100 |
100 |
80 |
123 |
| 2.2 |
460 |
260 |
340 |
600 |
380 |
860 |
130 |
14 |
65 |
982 |
100 |
100 |
80 |
119 |
| 3 |
460 |
260 |
340 |
600 |
380 |
860 |
130 |
14 |
65 |
982 |
100 |
100 |
80 |
124 |
| 125-80-400 |
15 |
735 |
380 |
500 |
800 |
540 |
1150 |
175 |
18 |
94 |
1317 |
125 |
125 |
80 |
385 |
| 18.5 |
735 |
380 |
500 |
800 |
540 |
1150 |
175 |
18 |
94 |
1374 |
125 |
125 |
80 |
420 |
| 22 |
735 |
380 |
510 |
800 |
560 |
1220 |
210 |
22 |
126.5 |
1404 |
125 |
125 |
80 |
442 |
| 30 |
735 |
380 |
510 |
800 |
560 |
1220 |
210 |
22 |
126.5 |
1442 |
125 |
125 |
80 |
491 |
| 37 |
755 |
400 |
510 |
800 |
560 |
1250 |
225 |
22 |
141.5 |
1481 |
125 |
125 |
80 |
548 |
| 125-100-200 |
4 |
580 |
300 |
420 |
600 |
460 |
900 |
150 |
14 |
70 |
1045 |
125 |
125 |
100 |
167 |
| 5.5 |
580 |
300 |
420 |
600 |
460 |
980 |
190 |
18 |
110 |
1111 |
125 |
125 |
100 |
184 |
| 7.5 |
580 |
300 |
420 |
600 |
460 |
980 |
190 |
18 |
110 |
1151 |
125 |
125 |
100 |
203 |
| 11 |
580 |
300 |
420 |
800 |
460 |
1100 |
150 |
18 |
70 |
1237 |
125 |
125 |
100 |
254 |
| 125-100-250 |
15 |
605 |
325 |
460 |
800 |
500 |
1120 |
160 |
18 |
80 |
1322 |
140 |
125 |
100 |
329 |
| 125-100-315 |
11 |
665 |
350 |
460 |
800 |
500 |
1120 |
160 |
18 |
79 |
1282 |
140 |
125 |
100 |
312 |
| 18.5 |
665 |
350 |
460 |
800 |
500 |
1180 |
190 |
18 |
109 |
1379 |
140 |
125 |
100 |
368 |
| 22 |
665 |
350 |
460 |
800 |
500 |
1180 |
190 |
18 |
109 |
1409 |
140 |
125 |
100 |
385 |
| 30 |
665 |
350 |
510 |
800 |
560 |
1220 |
210 |
22 |
126.5 |
1457 |
140 |
125 |
100 |
445 |
| 125-100-400 |
30 |
735 |
380 |
570 |
800 |
620 |
1220 |
210 |
22 |
110 |
1447 |
140 |
125 |
100 |
495 |
| 37 |
755 |
400 |
575 |
900 |
625 |
1300 |
200 |
22 |
100 |
1496 |
140 |
125 |
100 |
574 |
| 45 |
755 |
400 |
575 |
900 |
625 |
1300 |
200 |
22 |
100 |
1531 |
140 |
125 |
100 |
603 |
| 150-125-250 |
11 |
705 |
350 |
460 |
800 |
500 |
1120 |
160 |
18 |
79 |
1282 |
140 |
150 |
125 |
308 |
| 15 |
705 |
350 |
460 |
800 |
500 |
1120 |
160 |
18 |
79 |
1322 |
140 |
150 |
125 |
335 |
| 18.5 |
705 |
350 |
460 |
800 |
500 |
1180 |
190 |
18 |
109 |
1379 |
140 |
150 |
125 |
366 |
| 22 |
705 |
350 |
460 |
800 |
500 |
1180 |
190 |
18 |
109 |
1409 |
140 |
150 |
125 |
383 |
| 型號 |
功率 (kW) |
H1 |
H2 |
HC1 |
HC:2 |
BW |
BL |
BP |
BH |
OH |
UL |
FC |
DN1 |
DN2 |
總重量 (kg) |
| 150-125-315 |
30 |
735 |
380 |
570 |
800 |
620 |
1220 |
210 |
22 |
110 |
1447 |
140 |
150 |
125 |
481 |
| 37 |
755 |
400 |
575 |
900 |
625 |
1300 |
200 |
22 |
100 |
1496 |
140 |
150 |
125 |
558 |
| 150-125-400 |
45 |
835 |
435 |
575 |
900 |
625 |
1300 |
200 |
22 |
100 |
1531 |
140 |
150 |
125 |
612 |
| 55 |
835 |
435 |
575 |
900 |
625 |
1350 |
225 |
22 |
125 |
1592 |
140 |
150 |
125 |
670 |
| 75 |
835 |
435 |
620 |
800 |
670 |
1400 |
300 |
22 |
200 |
1665 |
140 |
150 |
125 |
827 |
| 200-150-315 |
37 |
835 |
435 |
620 |
800 |
670 |
1400 |
300 |
22 |
200 |
1656 |
160 |
200 |
150 |
613 |
| 45 |
835 |
435 |
595 |
900 |
645 |
1500 |
300 |
22 |
200 |
1691 |
160 |
200 |
150 |
651 |
| 55 |
835 |
435 |
595 |
900 |
645 |
1500 |
300 |
22 |
200 |
1752 |
160 |
200 |
150 |
723 |
| 75 |
835 |
435 |
625 |
1000 |
675 |
1600 |
300 |
22 |
200 |
1835 |
160 |
200 |
150 |
879 |
| 200-150-400 |
75 |
885 |
435 |
625 |
1000 |
675 |
1600 |
300 |
22 |
200 |
1835 |
160 |
200 |
150 |
932 |
| 90 |
885 |
435 |
625 |
1000 |
675 |
1600 |
300 |
22 |
200 |
1885 |
160 |
200 |
150 |
1028 |
| 110 |
885 |
435 |
710 |
1200 |
760 |
1700 |
250 |
22 |
150 |
2124 |
160 |
200 |
150 |
1398 |
| 250-200-315 |
37 |
885 |
435 |
620 |
800 |
670 |
1400 |
300 |
22 |
200 |
1676 |
180 |
250 |
200 |
664 |
| 45 |
885 |
435 |
595 |
900 |
645 |
1500 |
300 |
22 |
200 |
1711 |
180 |
250 |
200 |
702 |
| 55 |
885 |
435 |
595 |
900 |
645 |
1500 |
300 |
22 |
200 |
1772 |
180 |
250 |
200 |
768 |
| 75 |
885 |
435 |
625 |
1000 |
675 |
1600 |
300 |
22 |
200 |
1855 |
180 |
250 |
200 |
913 |
| 250-200-400 |
90 |
950 |
500 |
625 |
1000 |
675 |
1600 |
300 |
22 |
200 |
1905 |
180 |
250 |
200 |
1087 |
| 110 |
950 |
500 |
710 |
1200 |
760 |
1700 |
250 |
22 |
150 |
2144 |
180 |
250 |
200 |
1473 |
| 132 |
950 |
500 |
710 |
1200 |
760 |
1750 |
275 |
22 |
175 |
2244 |
180 |
250 |
200 |
1568 |
| 160 |
950 |
500 |
710 |
1200 |
760 |
1750 |
275 |
22 |
175 |
2244 |
180 |
250 |
200 |
1637 |